BXQ51-K防爆配电电磁起动器(IIB、tD)
BXQ51-K防爆配电电磁起动器(IIB、tD)
密封圈采用耐高温、抗老化硅橡胶,具有良好的防尘、防水性能
一、型号含义

二、适用范围
1、适用于1区、2区危险场所;
2、适用于21区、22区可燃性粉尘环境;
3、适用于IIA、IIBI 类,温度组别为T1~T6的爆炸性气体环境;
4、适用于化工、炼油、石油开采、医药、军工及军事设施等危险场所。
三、产品特点
1、壳体采用铝合金压铸成型,经抛丸后表面高压静电喷塑;
2、内装接触器、热继电器等原件,可控制电机的直接启动、停止,并对过载、短路和失压进行保护;
3、密封圈采用耐高温、抗老化硅橡胶,具有良好的防尘、防水性能;
4、可根据用户订做:
5、钢管或电缆布线均可。
四、技术参数

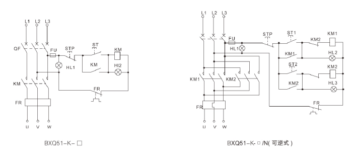
五、电气原理图

六、外形及安装尺寸图

如果您想更快的了解武陵源的产品,请您留言,我们将第一时间安排人员与您联系!
您也可以致电 400-021-0817 联系客服。